Your part is # 5 in this diagram

Frigidaire End Cap Kit 5303918004 OEM Part

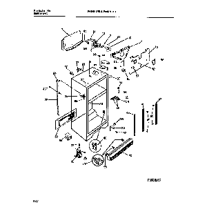
Your part is # 31 in this diagram

Frigidaire Overload Protector 216100126 OEM Part

Frigidaire Washer 215003200 OEM Part

was $26.99 Special Price $17.99
215003200 replaces: AP2110218, 08011151, 218871201, 438974, AH421700, EA421700, PS421700.
MFG Number
215003200
Availability:
Out of stock

No longer available

Does this part fit my model?
We sell only genuine appliance parts.
Write Your Own Review
You're reviewing:Frigidaire Washer 215003200 OEM Part
Your Rating

Loading compatible models...

We sell only genuine appliance parts. Frigidaire Washer 215003200 OEM Part 215003200
17.990000
Similar Products