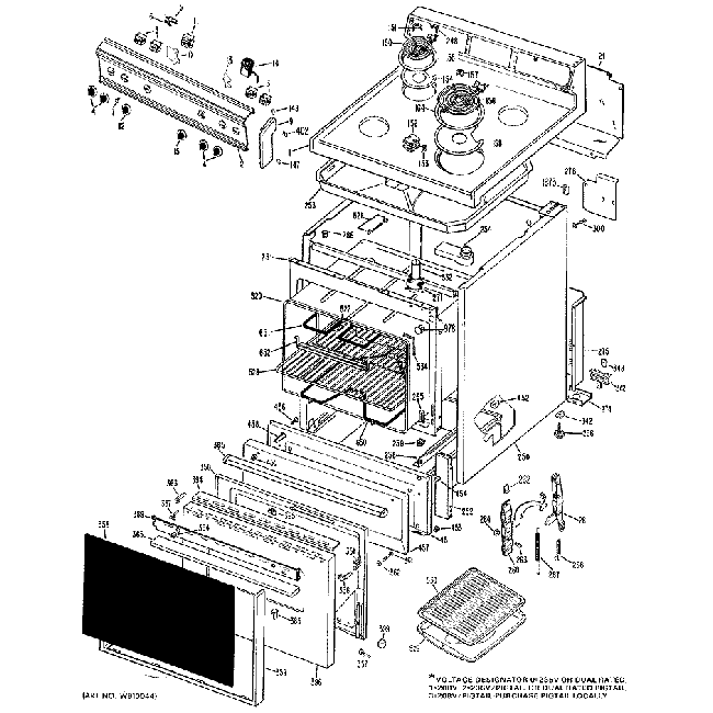
Your part is # 40 in this diagram

General Electric Thermos Knob WB3K5192 OEM Part

Clock Knob Kit WB3X5699

General Electric Clock Knob Kit WB3X5699 OEM Part

General Electric Thermostat Knob WB3X5642 OEM Part

was $57.99 Special Price $36.99
WB3X5642 replaces: AP2015657, 257083, AH248872, EA248872, PS248872, WB03X5642.
MFG Number
WB3X5642
Availability:
Out of stock

No longer available

Does this part fit my model?
We sell only genuine appliance parts.
Write Your Own Review
You're reviewing:General Electric Thermostat Knob WB3X5642 OEM Part
Your Rating

Loading compatible models...

We sell only genuine appliance parts. General Electric Thermostat Knob WB3X5642 OEM Part WB3X5642
36.990000
Similar Products