Door Boot Seal 00354135

Bosch Door Boot Seal 00354135 OEM Part

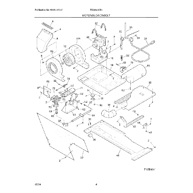
Your part is # 30 in this diagram

Frigidaire Timer Knob 134042400 OEM Part

Frigidaire Cycling Thermostat 131322600 OEM Part

was $65.99 Special Price $45.99
131322600 replaces: AP2106619, 407097, AH417512, EA417512, PS417512.
MFG Number
131322600
Availability:
Out of stock

No longer available

Does this part fit my model?
We sell only genuine appliance parts.
Write Your Own Review
You're reviewing:Frigidaire Cycling Thermostat 131322600 OEM Part
Your Rating

Loading compatible models...

We sell only genuine appliance parts. Frigidaire Cycling Thermostat 131322600 OEM Part 131322600
45.990000
Similar Products