Filter 5304456425

Frigidaire Filter 5304456425 OEM Part

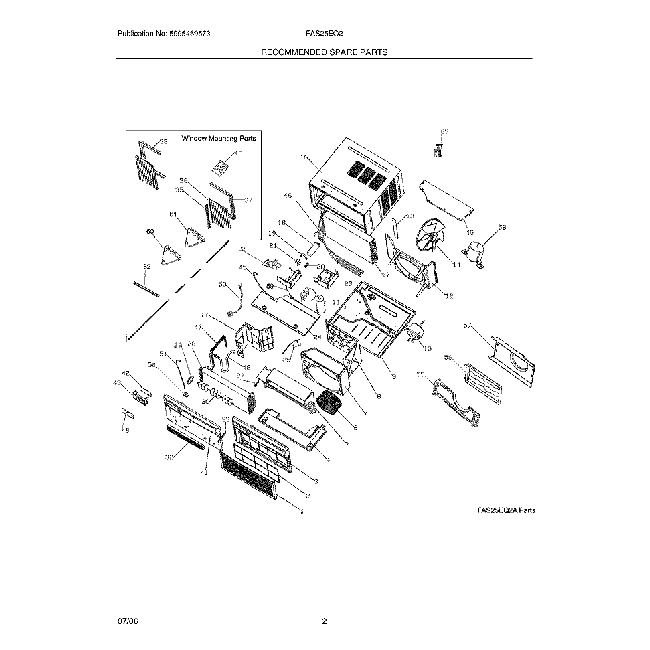
Your part is # 49 in this diagram

Frigidaire Overlay 5304456630 OEM Part

Frigidaire Control Panel 5304456629 OEM Part

was $31.99 Special Price $26.99
5304456629 replaces: AP3960851, 1198375, AH1532683, EA1532683, PS1532683.
MFG Number
5304456629
Availability:
In stock

In stock items are shipped the same day on all orders made before 4 PM Eastern Time.
Orders made after 4 PM Eastern Time, Weekend or a Holiday will ship the following business day.

Does this part fit my model?
We sell only genuine appliance parts.
Write Your Own Review
You're reviewing:Frigidaire Control Panel 5304456629 OEM Part
Your Rating

Loading compatible models...

We sell only genuine appliance parts. Frigidaire Control Panel 5304456629 OEM Part 5304456629
26.990000
Similar Products